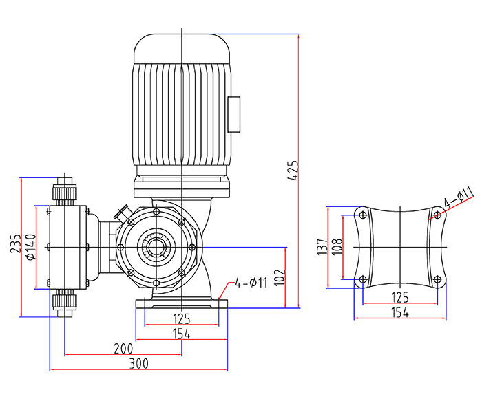
DJ-Z系列机械隔膜计量泵

产品概述:
机械隔膜计量泵是由电机通过涡轮蜗杆驱动柔性隔膜来回往复运动,从而改变泵腔容积,以达到连续排吸液体目的的泵型,在原理上属于容积变化泵。其流量可按各种工艺流程的需要,在0-100%范围内无级调节,定量输送不含固体颗粒的腐蚀性和非腐蚀性液体。
机械隔膜计量泵使用隔膜把液体与驱动润滑机构之间隔离开来,并且隔膜为静密封,无动密封。
机械隔膜泵计量泵相比较于柱塞计量泵和液压隔膜计量泵来说,其容积效率较低,出口压力小(一般在1.0MPa以内),流量适用范围小,计量精度比柱塞计量泵和液压隔膜计量泵低,当压力从小到大时,流量变化可达-10%。
DJ-Z型机械隔膜计量泵特点
1. 操作安全,机械驱动隔膜;
2. 密封性较好,装配维修简单安全;
3. 可输送粘度较高介质,腐蚀性液体和危险性的化学品;
4. 流通调节可通过调节冲程长度和电机频率(需配套变频电机);
5. 隔膜为多层复合结构压制而成,第一层为PTFE耐酸碱薄膜,第二层为EPDM弹性橡胶,第三层为3.0mm SUS304支撑铁芯,第四层采用强化尼龙纤维布,第五层采用EPDM橡胶包覆,有效提升了隔膜使用寿命;
6. 膜片后面增加不锈钢增强板设计,可提高膜片使用寿命。
工作条件及可选配置
介质温度: |
-30℃—80℃ |
介质粘度: |
0.3—1000mm2/s |
可选泵头材质: |
PVC、PTFE、304、316 |
可选电机: |
380、420V、220V、110V;防爆电机、变频电机 |
| 型号 | 流量 L/H | 压力 MPa | 行程 mm | 冲次 min-1 | 功率 kw | 进出口径 mm | 重量 KG |
| DJ-Z 25/1.0 | 25 | 1.0 | 3 | 48 | 0.37 | 6 | 22 |
| DJ-Z 50/1.0 | 50 | 1.0 | 4 | 48 | 10 | ||
| DJ-Z 80/0.7 | 80 | 0.7 | 6 | 96 | 15 | ||
| DJ-Z 120/0.7 | 120 | 0.7 | 4 | 96 | |||
| DJ-Z 170/0.7 | 170 | 0.7 | 6 | 96 | |||
| DJ-Z 240/0.7 | 240 | 0.7 | 8 | 96 | |||
| DJ-Z 320/0.5 | 320 | 0.5 | 6 | 144 | 0.55 | 28 | |
| DJ-Z 420/0.5 | 420 | 0.5 | 8 | 144 | 25 | ||
| DJ-Z 500/0.5 | 500 | 0.5 | 10 | 144 |