DZ-D系列柱塞式计量泵

产品概述:
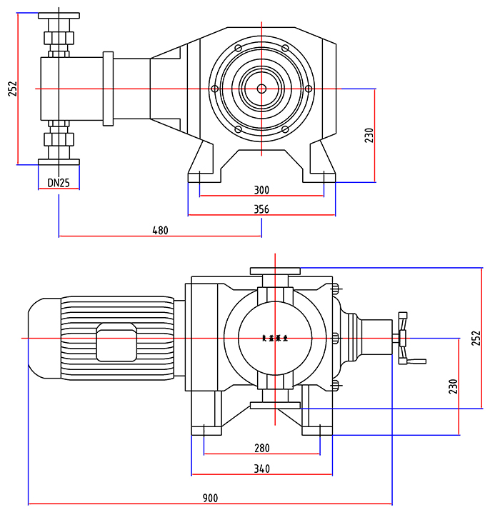
柱塞式计量泵通过柱塞的往复运动,使工作腔的容积发生周期性变化,从而将工作介质吸入或排除。柱塞式计量泵泵头结构简单,经济性、计量精度较高,柱塞和密封之间横向自动对中,确保两者之间的磨损小。
DZ-D型柱塞式计量泵特点
1. 排出压力较广泛,可制成高压泵;
2. 能输送较高粘度介质,不推荐用在输送腐蚀性浆料及危险性化学品的工况;
3. 轴封为填料密封,有泄漏,需周期性调整填料的预紧力,填料与柱塞是一对易损件;
4. 结构简单,维护方便,性价比较好;
5. 可通过调节冲程长度,实现调节流量;配用变频电机、变频器改变电机频率来控制流量,可实现远程控制;
6. 可做成各类型的保温泵头,并且可以做成多头并联,用做添加不同液体和不同流量和压力。
工作条件及可选配置
介质温度: |
-30℃—150℃ |
可选泵头材质: |
304、316 |
可选电机: |
380,防爆电机、变频电机 |
| 型号 | 流量 L/H | 压力 MPa | 功率 kw | 柱塞 直径 mm | 行程 mm | 泵速 min-1 | 进出 口径 mm | 重量 kg |
| DZ-D 18/50 | 18 | 50 | 4 | 10 | 40 | 127 | 10 | 150 |
| DZ-D 18/40 | 18 | 40 | 3 | 10 | ||||
| DZ-D 25/45 | 25 | 45 | 4 | 12 | ||||
| DZ-D 25/35 | 25 | 35 | 3 | 12 | ||||
| DZ-D 50/38 | 50 | 38 | 4 | 16 | ||||
| DZ-D 50/30 | 50 | 30 | 3 | 16 | ||||
| DZ-D 85/28 | 85 | 28 | 4 | 20 | 15 | |||
| DZ-D 85/20 | 85 | 20 | 3 | 20 | ||||
| DZ-D 135/18 | 135 | 18 | 4 | 25 | ||||
| DZ-D 135/12 | 135 | 12 | 3 | 25 | ||||
| DZ-D 200/11 | 200 | 11 | 4 | 30 | ||||
| DZ-D 200/8 | 200 | 8 | 3 | 30 | ||||
| DZ-D 270/8 | 270 | 8 | 4 | 35 | ||||
| DZ-D 270/6 | 270 | 6 | 3 | 35 | ||||
| DZ-D 365/6.3 | 365 | 6.3 | 4 | 40 | 20 | |||
| DZ-D 365/4.5 | 365 | 4.5 | 3 | 40 | ||||
| DZ-D 570/4 | 570 | 4 | 4 | 50 | ||||
| DZ-D 570/3 | 570 | 3 | 3 | 50 | ||||
| DZ-D 700/3.5 | 700 | 3.5 | 4 | 55 | ||||
| DZ-D 700/2.5 | 700 | 2.5 | 3 | 55 | ||||
| DZ-D 830/3 | 830 | 3 | 4 | 60 | ||||
| DZ-D 830/2.3 | 830 | 2.3 | 3 | 60 | ||||
| DZ-D 1150/2.3 | 1150 | 2.3 | 4 | 70 | 25 | |||
| DZ-D 1150/1.5 | 1150 | 1.5 | 3 | 70 | ||||
| DZ-D 1500/2 | 1500 | 2 | 4 | 80 | ||||
| DZ-D 1500/1.3 | 1500 | 1.3 | 3 | 80 | ||||
| DZ-D 1900/1.5 | 1900 | 1.5 | 4 | 90 | ||||
| DZ-D 1900/0.8 | 1900 | 0.8 | 3 | 90 | 32 | |||
| DZ-D 2100/1.2 | 2100 | 1.2 | 4 | 95 | ||||
| DZ-D 2100/0.8 | 2100 | 0.8 | 3 | 95 | ||||
| DZ-D 2350/0.8 | 2350 | 0.8 | 4 | 100 | ||||
| DZ-D 2350/0.6 | 2350 | 0.6 | 4 | 105 | 40 | |||
| DZ-D 2850/0.5 | 2850 | 0.5 | 4 | 110 | ||||
| DZ-D 3500/0.8 | 3500 | 0.8 | 4 | 110 | 155 | |||
| DZ-D 3800/0.7 | 3800 | 0.7 | 4 | 115 | ||||
| DZ-D 4150/0.6 | 4150 | 0.6 | 4 | 120 |