ISGB系列立式离心泵

产品概述:
ISGB型便拆式立式管道离心泵是在ISG泵基础上开发成功的一种结构新颖、技术先进的泵类产品。该立式泵在整体结构上进行大胆突破,采用独立轴承体、泵轴支撑,解决了原来ISG立式泵靠电机加长轴支撑的不足之处;叶轮、泵体采用优秀水力模型设计制造,轴向力比ISG系列泵更小;电机采用标准轴电机,解决原立式泵加长轴电机配套、更换难的问题,在对电机有特殊要求的情况下,选型配套非常方便;同时其便拆式的结构解决了更换大功率水泵的轴承,机械密封、叶轮、泵轴难的问题,维修保养的时候,拿掉加长联轴器便可操作,无需拆卸泵体和管路,也无需挪动电机。该泵与同类产品相比,具有运转更平稳,使用寿命更长,配套更方便,维护保养更轻松等优点。
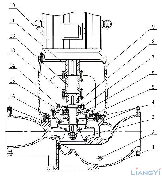
结构图:

1 泵体 2 放水塞 3 叶轮 4 机械密封 5 放气阀 6 轴承体 7 轴承 8 泵轴 9 支架 10 电机 11 电机联轴器 12 中间联轴器 13 泵联轴器 14 油杯 15 轴承压盖 16 泵盖
型号意义:
例如 |
ISGB150-50(I)A |
||||||
ISGB |
便拆式管道离心泵 |
150 |
泵进出口口径,mm |
50 |
泵的额定扬程,m |
||
(I) |
扩流标志 |
A |
叶轮切割标志;利用离心泵相似定律,切割叶轮直径,获得需要的参数 |
||||


