
产品概述:
ISG系列立式单级单吸管道式离心泵,是我单位技术人员参考国外先进技术,并结合国内用户使用特点和习惯而研制成功的新一代离心泵产品。从十多套待选水力模型里,经过计算机反复模拟验证,小批量试制测试比较,选定了目前该泵的方案。已经全面替代了老款SG系列的应用。并且我公司ISG系列在二十年的生产过程中,经历过四次改进升级,目前为该泵的第五代产品,其性能和品质较前几代产品已经有了大大的提高。同时根据使用温度、介质等不同,在ISG型基础上派生出IRG型热水泵、IHG型化工泵、YG型离心油泵。该系列产品的优点为结构简单紧凑,零配件种类少,使用和维修难度小,可选配Yvf系列变频电机,YB3\YBK3系列防爆电机,YBBP系列防爆变频电机,YE3系列二级能效电机,并且可以该泵生产多种材质和电制,以满足用户的各种不同需求。
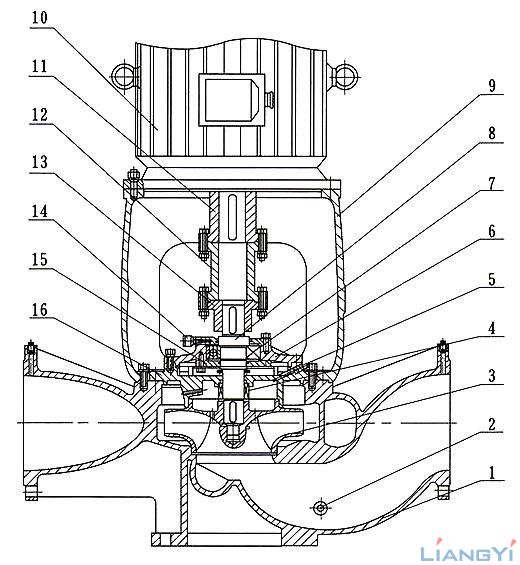
产品优点:
1、泵为立式结构,进出口口径相同,且位于同一中心线上,可象阀门一样安装于管路之中,外形紧凑,占地面积小,如加上电机防护罩则可置于户外使用。
2、电机为加长轴形式,泵无泵轴,叶轮直接安装在电机的加长轴上,轴向尺寸短,同心度高,振动小。
3、轴封采用机械密封,根据介质可有不同的材质配置,能根据实际情况有效地延长机械密封的使用寿命。
4、安装检修方便,无需拆动管道路系统,只要卸下泵盖螺母即可抽出全部转子部件。
5、可根据流量使用要求,采用并联运行方式。
6、可根据管路布置的要求采用泵的竖式和横式安装。
主要用途:
1、ISG型立式离心泵:供输送清水或物理、化学性质类似于清水的其他液体之用,被输送介质温度T<120℃。
2、IRG型立式热水泵:各行业热水增压循环输送之用或城市采暖系统循环用泵,被输送介质温度T<120℃,因机械密封技术的发展,现今IRG与ISG泵已通用,型号上不做具体区分亦可,可定制被输送介质温度T<150℃的高温款。
3、IHG型立式化工泵:供输送不含固体颗粒(或者含微量细小颗粒,具体请咨询技术人员),具有一定腐蚀性,粘度比重类似于水的液体,被输送介质温度为-20℃~+120℃(部分型号耐温可至150℃,详询技术人员),可生产304不锈钢与316L不锈钢两种材质;若不锈钢材质不适用的介质,请选择GBF型衬氟管道离心泵。
4、YG型立式离心油泵,供输送汽油、煤油、柴油等轻质石油产品,被输送介质温度为-20℃~+120℃,可按需配置铜叶轮。
注意事项:
1、入口压力≤0.3MPa,不锈钢泵入口压力≤0.6MPa;严禁泵内无液空转。
2、环境温度<40℃,相对湿度<95%。
3、所输送介质中固体颗粒体积含量不超过单位体积的0.1%,粒度<0.2mm。
注:如被输送介质带有细小颗粒,请在订货时说明,以便我司选用适当的机械密封。
型号意义:



